具有:IIA 、 IIB 、 IIC 類可燃性氣體,引燃溫度組別為:T1-T6組的1區、2區,可燃性氣體或空氣形成的爆炸性混合物的場所,也適用于引燃溫度組別為:T1-T6組的20區、21區、22區,含有可燃性粉塵混合物的場所。如:石油、化工、軍工、礦井、醫藥、油庫、輪船、鉆井平臺、加油站、花炮生產、糧食加工存儲等
一. 產品概述
HQ-811G型中溫防護罩專為熔爐等中溫環境電視監控系統攝像機、鏡頭等的防護而設計制造。防護罩整體采用不銹鋼制成,為圓筒形水冷套結構,冷卻水進口在前方下部(引管至后方),出水口在后方上部,在水冷系統內流動,帶走外殼從中溫環境中吸收的熱量。視窗采用鋼化玻璃,可耐受200℃溫度。罩內抽屜板可從防護罩后部拉出,方便攝像機、鏡頭等的安裝調試。
二. 配套設備及系統
中溫車間一般都有冷卻水循環系統,可方便供水源。如車間沒有冷卻水循環系統,可用自來水。與水冷系統的聯接采用Ф10尼龍軟管接頭,可方便地與耐熱的尼龍軟管聯接。
電纜密封索頭采用進口IP68級PG9兩個(可用電纜直徑為:4~8mm)。
如環境砂塵很多,可在訂貨時選用風斗選件,以對砂塵進行阻隔。
如用戶有特殊要求時請在訂貨時提出。
窗口可承受溫度: |
≤ 200℃ |
冷卻水最大流量: |
0.82M3/h |
冷卻水極限壓力: |
0.6Mpa |
外殼防護等級: |
IP67 |
冷卻水接頭: |
10mm軟管接頭 |
冷卻水進口溫度: |
≤35℃ |
冷卻水工作壓力: |
>0.25MPa |
視窗尺寸: |
Φ95×5mm |
風斗壓縮空氣壓力: |
≥0.4Mpa |
風斗壓縮空氣流量: |
10L/Min |
外形尺寸: |
Φ133×360mm |
重量(無水): |
7Kg |
|
|



防爆設備控制箱防爆攝像機支架防爆繞性軟管
防爆設備控制箱:
防爆等級:Ex d IICT6 Gb/Ex tD A21 IP68 T80℃
具有6個-DN20出線孔,也可以根據客戶要求定做
可以安裝電源開關、光纖收發器、防浪涌模塊、盤纖盒、終端其他相關設備
可以根據客戶要求定制非標防爆控制箱
產品型號 |
HQ-865 |
防爆標志 |
Ex dII CT6 Gb/ExtD A21IP68 T80℃ |
防護等級 |
IP68 |
溫度范圍 |
-40℃+60℃ |
產品材質 |
304、316L、不銹鋼材質(化工、酸堿等腐蝕性環境使用) |
相對濕度 |
不大于95%(+25℃) |
大氣氣壓 |
80kpa 106kpa |
恒溫系統 |
用戶可以選配 |
外形尺寸 |
400*400*150 |
內腔尺寸 |
380*380*180 |
出線孔數量規格 |
6個DN20進線孔 |
安裝方式 |
壁裝、固定支架、立柱、平臺 |
產品重量 |
15㎏ |
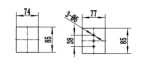
防爆控制箱外形尺寸:


防爆攝像機支架:
304不銹鋼材質,適用于強腐蝕性環境使用
用于安裝防爆槍式攝像機等相關專用設備
具有耐燃、耐腐蝕、耐水、耐老化、結構穩固、提高現場可靠性
產品型號 |
HQ-01 |
承載能力 |
不大于:40㎏ |
產品材質 |
304不銹鋼 |
產品重量 |
3㎏ |
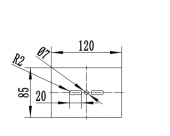
防爆支架外形尺寸:



防爆繞性軟管:
304不銹鋼材質,適用于強腐蝕環境使用
用于連接防爆攝像機與防爆設備箱等專用防爆產品設備使用
具有耐燃、耐腐蝕、耐老化、結構穩定、提高現場可靠性
產品型號 |
接口 |
內徑 |
長度 |
HQ-RG-1000 |
DN20 |
18mm |
L:1000 |