HQ-811-F化學腐蝕防護罩不僅全部采用耐化學腐蝕極好的材料制成,而且采用完全密封結構,不僅能完全防止灰塵和水進入,而且對腐蝕氣體能長期絕對密封。整體為圓筒型,前端為斜口,而不必另加遮陽罩;視窗玻璃用螺紋壓環壓緊在圓筒內壁的彈簧漲圈上,并輔以指定硅橡膠密封;電纜引入裝置采用國標典型氣密電纜索頭結構,電纜按指定尺寸剝開一定長度并用硅橡膠密封;底座采取塑料焊接方法與圓筒連接。內部抽屜板可從圓筒后部拉出,方便安裝調試。另有隔熱層和無形雨刷選件。
HQ-811-F化學腐蝕防護罩有關使用性能數據如下:
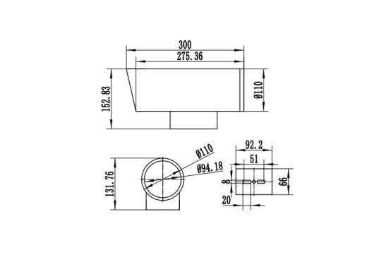
凈可用空間(mm) |
工作溫度 |
重量(Kg) |
適用鏡頭 |
內徑 |
長 |
104 |
270 |
-50 至+50 |
1.1 |
定焦及變焦鏡頭(訂貨時需申明) |
二. 安裝
A.安裝前應檢查裝配元件是否齊全完好,并仔細閱讀使用說明書。
B.防護罩前端視窗玻璃7(見圖1)在出廠前裝配,施工單位和用戶安不得拆卸。
C.電纜引入裝置2 由施工單位在安裝電纜時裝配。
(1)在訂購防護罩時 ,一個電纜引入裝置選1型,供引入電源線用,適用外徑為5~7mm,其它電纜引入裝置選2型,適用電纜外徑為7~10.5mm。
(2)電纜引入裝置裝配時,須符合圖2要求。
(3)電纜引入裝置裝配應在其裝到防護罩圓筒上之前進行,首先按圖2要求將電纜剝好皮,留夠內部接線所需長度,并清潔電纜引入裝置器件表面。在剝開的裸線部位涂以指定硅橡膠并等其固化。
(4)在電纜引入裝置殼體6內裝好金屬墊圈4,然后選擇適當尺寸的橡膠圈3裝入殼體6 (有兩種尺寸的橡膠圈)。
(5)將電纜穿上壓緊鑼絲2,穿入裝好橡膠圈3的殼體6中,調節好電纜的位置,用壓緊鑼絲2將電纜壓緊。
(6)向電纜引入裝置中填注填料時,需將殼體6壓緊鑼絲2向下豎立放置,將堵頭墊片8打開,用指定硅橡膠向殼體6中填注,不允許有氣孔,填注至離上口1mm處暫停。
(7)將電纜引入裝置保持前述豎立位置,堵頭墊片打開,放置24~36小時,堵頭墊片下注滿指定硅橡膠,并將堵頭墊片粘牢。
(8)將電纜引入裝置裝入防護罩筒體5時,在內外鑼扣處涂以指定硅橡膠,用板手旋緊。
D.在安裝調整好防護罩內攝像機和鏡頭等及內部接線完成,確認一切正常后,才能安裝防護罩后蓋。安裝時先在內外鑼扣處涂以指定硅橡膠,將后蓋旋緊到防護罩外殼上,等硅橡膠固化后才能投入使用。
E.在全部密封工作完成后,需進行氣密試驗。將防護罩浸入高于初始溫度25℃的水中,使其頂部位于水面下至少25mm,持續60s,無可見氣泡為合格。
三.使用
在使用過程中,如需要打開上述密封時,則認為防護罩的氣密性被破壞,復裝時需重新進行密封并進行氣密試驗才能使用。