產品名稱
防爆紅外對射 HQ-868
特性簡述
雙重防爆認證,防爆標志:Ex dII BT6 Gb/ExtD A21IP68 T80℃;304、316L不銹鋼材質制造,適用于強酸強堿,腐蝕性環境使用 ;采用真正的數字電路,性能更穩定、可靠;采用制造工藝要求非常高的球面透鏡,提高了紅外線發射的聚集度,從而保障了發射距離
規格型號
探測距離(米):100、150、200、250
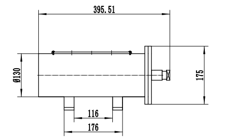
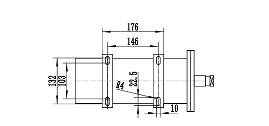
產品尺寸(mm):355×99×104
探測方式:完全遮斷感知式
感應數度:12-250m 可調
電源電壓:DC12V-24V
產品尺寸(mm):355×99×104
探測方式:完全遮斷感知式
感應數度:12-250m 可調
電源電壓:DC12V-24V

上一個: 防爆紅外對射-(4光速) HQ-868下一個:沒有了