
具有:IIA 、 IIB 、 IIC 類可燃性氣體,引燃溫度組別為:T1-T6組的1區、2區,可燃性氣體或空氣形成的爆炸性混合物的場所,也適用于引燃溫度組別為:T1-T6組的20區、21區、22區,含有可燃性粉塵混合物的場所。如:石油、化工、軍工、礦井、醫藥、油庫、輪船、鉆井平臺、加油站、花炮生產、糧食加工存儲等
? 雙重防爆認證,防爆標志:Ex dII BT6 Gb/ExtD A21IP68 T80℃
? 304、316L不銹鋼材質制造,適用于強酸強堿,腐蝕性環境使用
? 采用真正的數字電路,性能更穩定、可靠
? 采用制造工藝要求非常高的球面透鏡,提高了紅外線發射的聚集度,從而保障了發射距離
? 調試指示燈采用精準的數字電路,在工程施工時校對信號等更加直觀、方便
? 采用大功率軍工級發射管,可以保證紅外線的發射距離和使用壽命
? 采用行業最先進的數字濾波技術,與傳統的模擬濾波相比,具有更有更加的精準度和更高的穩定性等優點。
? 根據外界不同的環境變化,及將自身的工作狀態調整到與外部環境相適應的狀態,將產品由于外界環境變化而帶來的誤報率降至最低。
? 純正數字CPU控制電路,通過DSP芯片編程發射與接收,大功率紅外發接收對管,低功耗數字變頻處理技術、減少誤報、
? 杜絕漏報,真正對抗紅外智能入侵-全密封防雨(霧)、防塵(蟲)等的全天候一體化結構設計使其能在惡劣的環境中正常工作,防水等級高達IP65
防爆對射機芯圖片 |
 |
探測距離(米) |
50、100、150 |
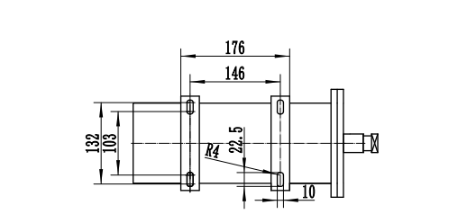
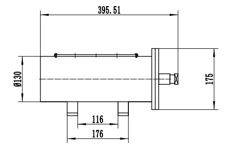
產品尺寸(mm) |
270×90×90 |
探測方式 |
完全遮斷感知式 |
感應數度 |
12-250m 可調 |
電源電壓 |
DC12V-24V |
電流 |
80mA |
報警周期 |
2±1可調 |
警報輸出 |
繼電器接點輸出IC 接點容量AC\DC30V 0.5 max |
防拆開關 |
常閉,當外殼被移去時打開 |
工作溫度 |
-25℃-55℃ |
校正角度 |
水平±90° 垂直±20° |
重量 |
800g |
材質 |
304不銹鋼 |