產品名稱
防爆紅外高清雨刷攝像機(400萬定焦)
特性簡述
防爆標志:Exd IIC T6 Gb /ExtD A21 IP68 T80℃;防護等級:IP68;最高分辨率可達1920×1080 @30 fps;支持低碼率、低延時、ROI感興趣區域增強編碼、SVC自適應編碼技術,支持smart265編碼
規格型號
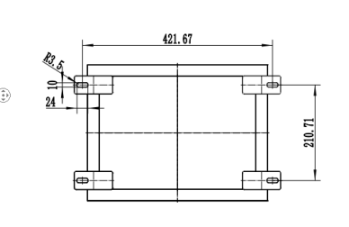
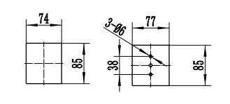
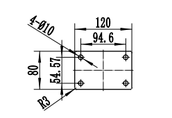
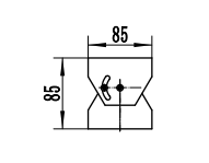
產品型號:HQ-811-QJ-4
防爆標志:Exd IIC T6 Gb /ExtD A21 IP68 T80℃
防護等級:IP68
名稱:400萬1/1.8" CMOS 防爆全彩筒型網絡攝像機
傳感器類型:1/1.8" Progressive Scan CMOS
防爆標志:Exd IIC T6 Gb /ExtD A21 IP68 T80℃
防護等級:IP68
名稱:400萬1/1.8" CMOS 防爆全彩筒型網絡攝像機
傳感器類型:1/1.8" Progressive Scan CMOS

防爆紅外高清雨刷攝像機攝像機(400萬定焦)
HQ-811-QJ-4
HQ-811-QJ-4

產品簡介 :
防爆紅外智能攝像儀(以下簡稱攝像儀)防爆性能按GB3836.1—2010《爆炸性環境 第1部分:設備 通用要求》、GB3836.2—2010《爆炸性環境 第2部分:由隔爆外殼 “d”保護的設備》、GB 12476.1-2013《可燃性粉塵環境用電氣設備 第1部分:通用要求》及GB 12476.5-2013《可燃性粉塵環境用電氣設備 第5部分:外殼保護型“tD”》等標準設計制造,屬隔爆型電氣設備。,外殼采用304不銹鋼制造。各隔爆接合面均有密封條加以保護,防護等級達到IP68。可用于ⅡA、ⅡB、ⅡC級,1區、2區危險場所, T1-T6組爆炸性氣體環境或21、22區爆炸性粉塵環境中,如石油、化工、礦井、軍工、煉化廠、輸油管道、變電站、危化品儲存倉儲、港口等行業。
上一個:防爆紅外高清雨刷攝像機(300萬定焦)下一個:沒有了